欢迎访问,可以在线选型的【位移滑台采购平台】
深圳市真理想自动化科技有限公司
24小时服务热线
13823224988
(微信同号)
首页
选型中心
视频中心
手动位移滑台
电动位移滑台
简易调整组件
测角手动位移台
回转手动位移台
新闻资讯
公司新闻
行业新闻
常见问题
关于我们
公司简介
工厂展示
联系我们
首页
/
选型中心
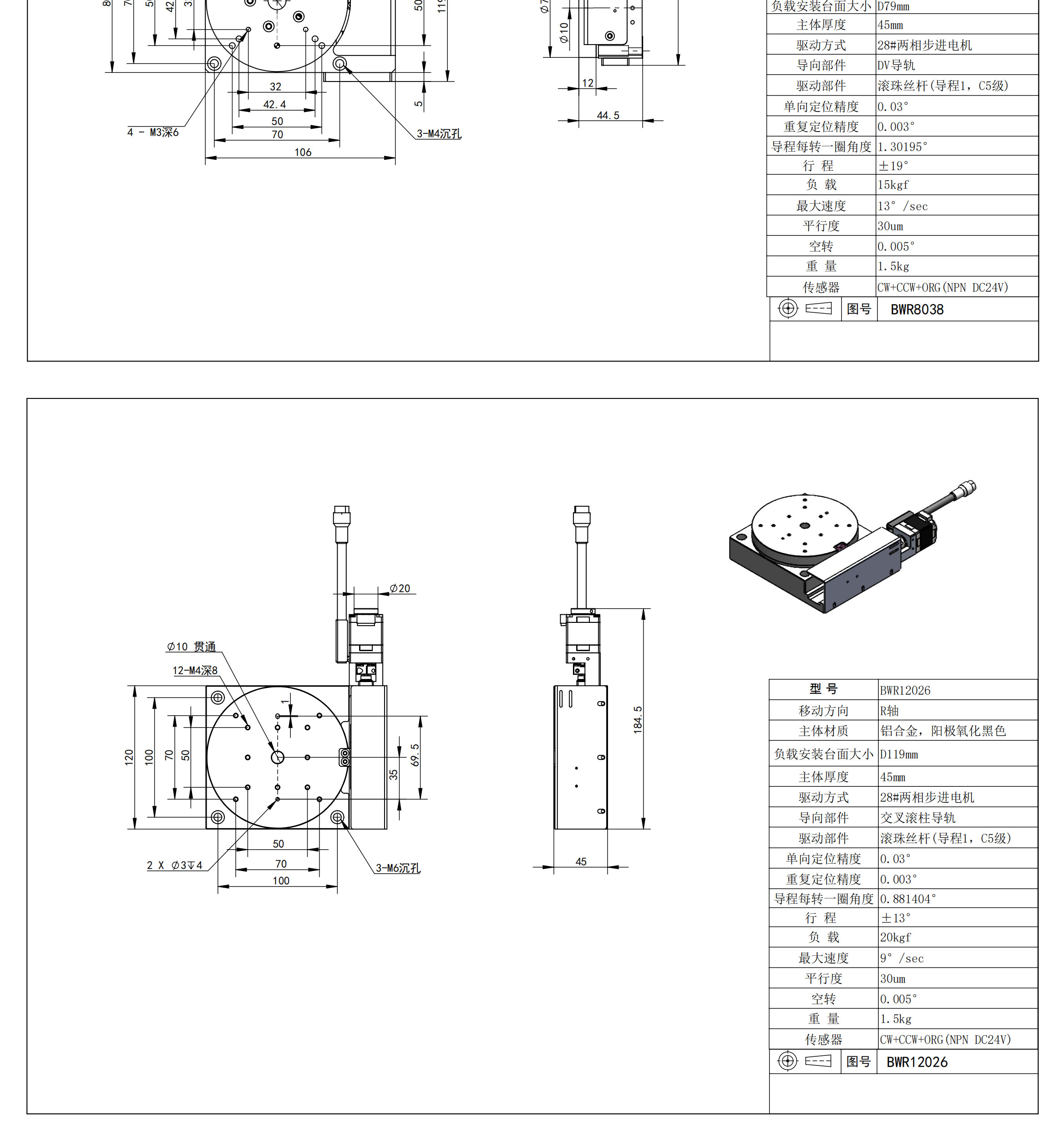
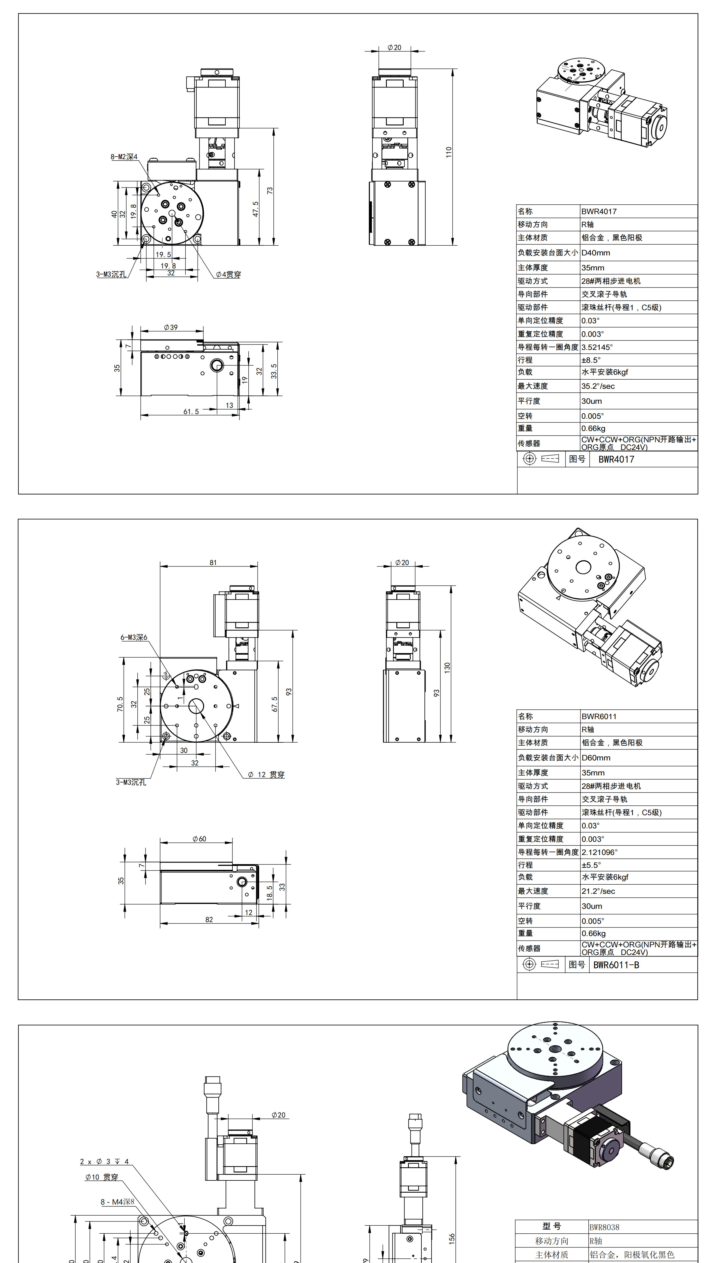
型号:BWR
滚珠丝杆传动 有限角度旋转台
条件筛选:
种类
电动位移滑台
/
传动方向
R旋转
/
主体材质
铝合金
/
导向机构
交叉滚子导轨
/
进给机构
滚珠丝杆
/
最大位移
±13°
/
最大台面
Φ119
/
最大负载
196N
/
最大厚度
46
产品选型:
代码
请选择
BWR
规格
请选择
4017
6011
8038
12026
产品型号:
复制
重置
3D模型
联系客服
尺寸图纸
3D预览
基本信息
常被一起浏览的产品
X轴 手动位移台 燕尾槽式 齿轮齿条型
型号:FLP01
X轴手动滑台 加长滑块组合 齿轮齿条型-真远大位移滑台
型号:LBWDA40
X轴 手动位移台 燕尾槽式 齿轮齿条型
型号:FLV11
测角手动位移台 燕尾槽式 α轴·精车型
型号:F-GNL01