欢迎访问,可以在线选型的【位移滑台采购平台】
深圳市真理想自动化科技有限公司
24小时服务热线
13823224988
(微信同号)
首页
选型中心
视频中心
手动位移滑台
电动位移滑台
简易调整组件
测角手动位移台
回转手动位移台
新闻资讯
公司新闻
行业新闻
常见问题
关于我们
公司简介
工厂展示
联系我们
首页
/
选型中心
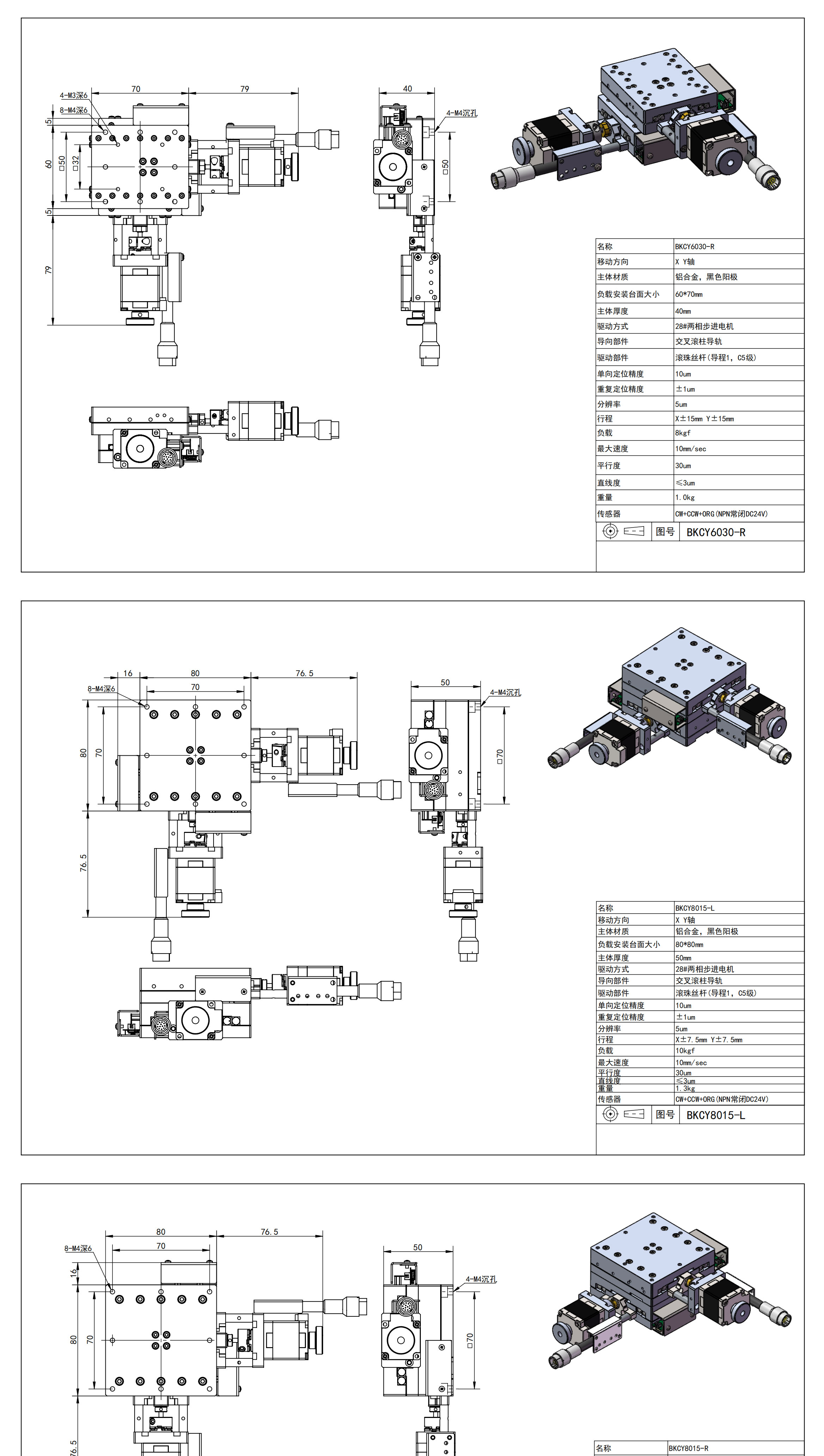
型号:BKCY
Y轴 电动位移台 光电开光外置
条件筛选:
种类
电动位移滑台
/
传动方向
XY轴
/
主体材质
铝合金
/
导向机构
交叉滚子导轨
/
进给机构
滚珠丝杆
/
最大位移
±15
/
最大台面
80*80
/
最大负载
98N
/
最大厚度
51
产品选型:
代码
请选择
BKCY
规格
请选择
4015-L
4015-R
6020-L
6020-R
6030-L
6030-R
8015-L
8015-R
8030-L
8030-R
产品型号:
复制
重置
3D模型
联系客服
尺寸图纸
3D预览
基本信息
常被一起浏览的产品
X轴 手动位移台 燕尾槽式 齿轮齿条型 宽度25 长行程
型号:FLT01
简易调整组件 Z轴 进给丝杠型 带位置显示器型
型号:IJV01/IJV31
旋转手动位移滑台 θ轴 交叉滚子轴承式 不锈钢
型号:FNH31
XY轴 手动位移台 线性滚珠式
型号:FLH01