欢迎访问,可以在线选型的【位移滑台采购平台】
深圳市真理想自动化科技有限公司
24小时服务热线
13823224988
(微信同号)
首页
选型中心
视频中心
手动位移滑台
电动位移滑台
简易调整组件
测角手动位移台
回转手动位移台
新闻资讯
公司新闻
行业新闻
常见问题
关于我们
公司简介
工厂展示
联系我们
首页
/
选型中心
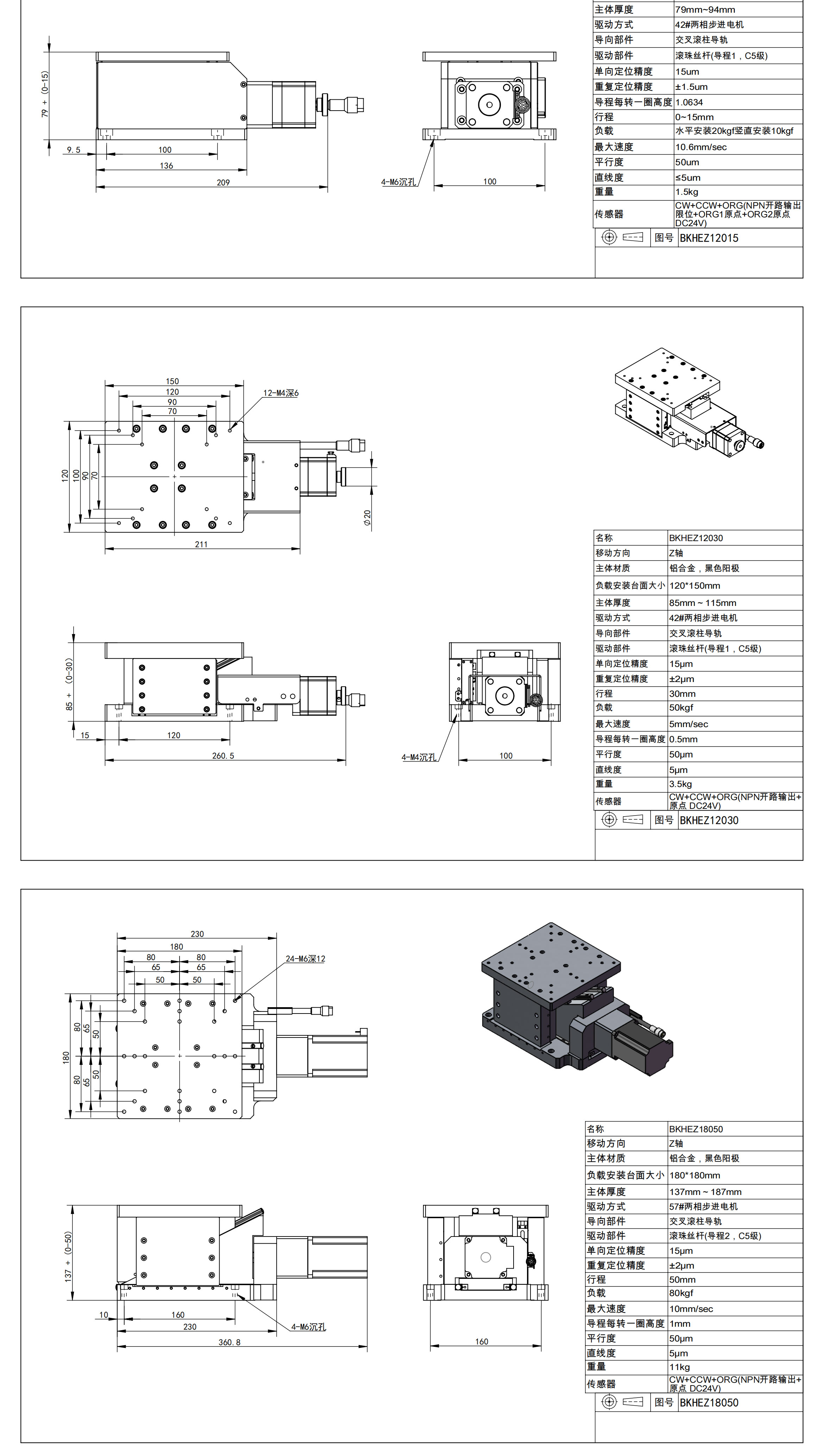
型号:BKHEZ
电动滑台 楔块式 重载型 水平升降
条件筛选:
种类
电动位移滑台
/
传动方向
Z轴
/
主体材质
铝合金
/
导向机构
交叉滚子导轨
/
进给机构
滚珠丝杆
/
最大位移
±25
/
最大台面
80*80
/
最大负载
784N
/
最大厚度
139.5
产品选型:
代码
请选择
BKHEZ
规格
请选择
6004
8008
12015
12030
18050
产品型号:
复制
重置
3D模型
联系客服
尺寸图纸
3D预览
基本信息
常被一起浏览的产品
XY轴 手动位移台 交叉滚柱式·薄型
型号:F-GKE36
X轴 手动位移台 交叉滚柱式 长方形不锈钢材质
型号:FLC61
X轴 手动位移台 燕尾槽式 齿轮齿条型
型号:FLP01
Z轴 手动位移台 燕尾槽式 齿轮齿条型·薄型
型号:F-GKN66