欢迎访问,可以在线选型的【位移滑台采购平台】
深圳市真理想自动化科技有限公司
24小时服务热线
13823224988
(微信同号)
首页
选型中心
视频中心
手动位移滑台
电动位移滑台
简易调整组件
测角手动位移台
回转手动位移台
新闻资讯
公司新闻
行业新闻
常见问题
关于我们
公司简介
工厂展示
联系我们
首页
/
选型中心
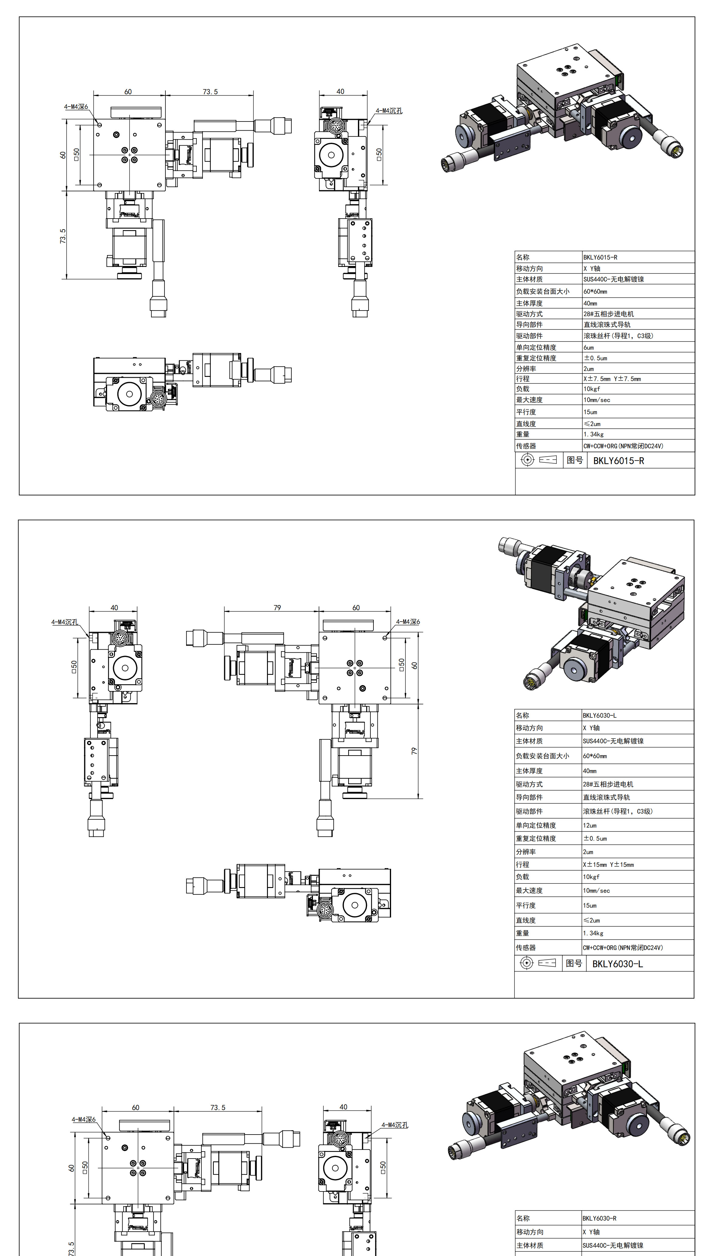
型号:BKLY
XY轴 电动位移滑台 线性滚珠导轨型
条件筛选:
种类
电动位移滑台
/
传动方向
XY轴
/
主体材质
不锈钢
/
导向机构
其他
/
进给机构
滚珠丝杆
/
最大位移
±25
/
最大台面
60*80
/
最大负载
98N
/
最大厚度
40
产品选型:
代码
请选择
BKLY
规格
请选择
4013-L
4013-R
4030-L
4030-R
6015-L
6015-R
6030-L
6030-R
6050-L
6050-R
产品型号:
复制
重置
3D模型
联系客服
尺寸图纸
3D预览
基本信息
常被一起浏览的产品
X轴 手动位移台 燕尾槽式 齿轮齿条型 加长旋钮型
型号:FLP11
XZ轴 手动位移台 燕尾槽式 进给丝杠+齿轮齿条型 铝合金
型号:FNE02
旋转手动位移滑台 θ轴 交叉滚子轴承式 不锈钢
型号:FNH31
X轴 手动位移台 交叉滚柱式
型号:FLC01